高强度10.9六角螺栓重量和尺寸
高强度10.9六角螺栓重量表
| 毫米螺纹按照是1363/67 | ||||||||||
| 100个的近似重量(kg) | ||||||||||
| 长度 | 直径 | |||||||||
| 米5 | 米6 | 米8 | 10米 | 12米 | 14米 | 16米 | M 18 | 20米 | 米22 | |
| 16毫米 | 0.448 | 0.743 | 1.590 | 3.211 | ||||||
| 20毫米 | 0.598 | 0.812 | 1.711 | 3.411 | 4.892 | |||||
| 25毫米 | 0.660 | 0.897 | 1.871 | 3.660 | 5.252 | 8.170 | ||||
| 30毫米 | 0.737 | 1.010 | 2.070 | 3.912 | 5.574 | 9.690 | 10.707 | 18.657 | ||
| 35毫米 | 0.804 | 1.120 | 2.271 | 4.223 | 5.974 | 10 | 11.416 | 16.026 | 19.608 | |
| 40毫米 | 0.881 | 1.230 | 2.470 | 4.533 | 6.410 | 10.288 | 12.107 | 16.667 | 20.747 | |
| 45毫米 | 0.958 | 1.340 | 2.671 | 4.840 | 6.859 | 10.504 | 12.821 | 17.241 | 21.739 | |
| 50毫米 | 1.030 | 1.450 | 2.870 | 5.155 | 7.299 | 11.261 | 13.624 | 17.857 | 22.727 | 28.409 |
| 55毫米 | 1.560 | 3.071 | 5.464 | 7.740 | 11.628 | 14.409 | 18.868 | 23.810 | 30.120 | |
| 60毫米 | 1.670 | 3.270 | 5.774 | 8.183 | 12.255 | 15.244 | 20.000 | 25.126 | 32.051 | |
| 65毫米 | 1.781 | 3.472 | 6.083 | 8.621 | 12.626 | 16.026 | 21.008 | 26.455 | 34.014 | |
| 70毫米 | 1.890 | 3.671 | 6.394 | 9.058 | 12.987 | 16.835 | 22.124 | 27.778 | 35.461 | |
| 75毫米 | 2.000 | 3.873 | 6.702 | 9.506 | 13.228 | 17.606 | 23.256 | 29.070 | 39.063 | |
| 80毫米 | 2.111 | 4.072 | 7.013 | 10 | 13.889 | 18.248 | 24.510 | 30.303 | 40.000 | |
| 90毫米 | 4.472 | 7.634 | 10.917 | 14.925 | 19.841 | 26.042 | 33.113 | 41.667 | ||
| 100毫米 | 4.873 | 8.251 | 11.820 | 16.340 | 21.459 | 27.778 | 35.714 | 46.296 | ||
| 110毫米 | 8.881 | 12.723 | 17.730 | 23.041 | 31.250 | 38.168 | 47.170 | |||
| 120毫米 | 9.506 | 13.624 | 18.797 | 24.631 | 32.895 | 40.984 | 50.000 | |||
| 130毫米 | 10.101 | 14.535 | 20.000 | 26.316 | 34.722 | 43.478 | 52.632 | |||
| 140毫米 | 10.707 | 15.432 | 20.833 | 27.933 | 35.461 | 46.296 | 55.556 | |||
| 150毫米 | 11.312 | 16.340 | 22.222 | 29.412 | 37.594 | 48.544 | 58.824 | |||
| 160毫米 | 11.905 | 17.241 | 24.272 | 31.056 | 40.984 | 50.505 | 61.728 | |||
| 170毫米 | 12.500 | 18.116 | 32.680 | 53.191 | 64.935 | |||||
| 180毫米 | 13.123 | 19.011 | 26.882 | 34.247 | 55.556 | 67.568 | ||||
| 190毫米 | 13.736 | 19.920 | 35.971 | 58.140 | 70.423 | |||||
| 200毫米 | 14.327 | 20.833 | 29.586 | 37.594 | 49.020 | 60.976 | 73.529 | |||
| 220毫米 | 15.528 | 22.624 | 40.650 | 65.789 | 79.365 | |||||
| 240毫米 | 16.722 | 24.510 | 43.860 | 71.429 | 84.746 | |||||
| 250毫米 | 17.301 | 25.381 | 45.455 | 74.627 | 87.719 | |||||
| 260毫米 | 17.921 | 26.316 | 47.170 | 76.923 | 90.909 | |||||
| 280毫米 | 19.157 | 28.090 | 50.505 | 81.967 | 98.039 | |||||
| 300毫米 | 20.325 | 29.940 | 53.763 | 87.719 | 104.167 | |||||
| 320毫米 | 31.646 | 56.818 | 92.593 | |||||||
| 340毫米 | 33.557 | 60.241 | 98.039 | |||||||
| 360毫米 | 35.211 | 63.291 | 104.167 | |||||||
| 380毫米 | 37.037 | 66.667 | 108.696 | |||||||
| 400毫米 | 39.063 | 69.444 | 113.636 | |||||||
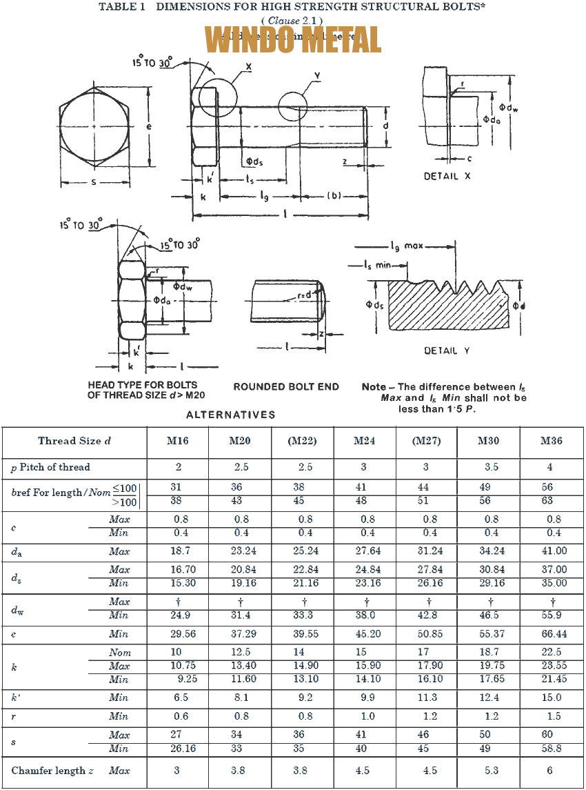
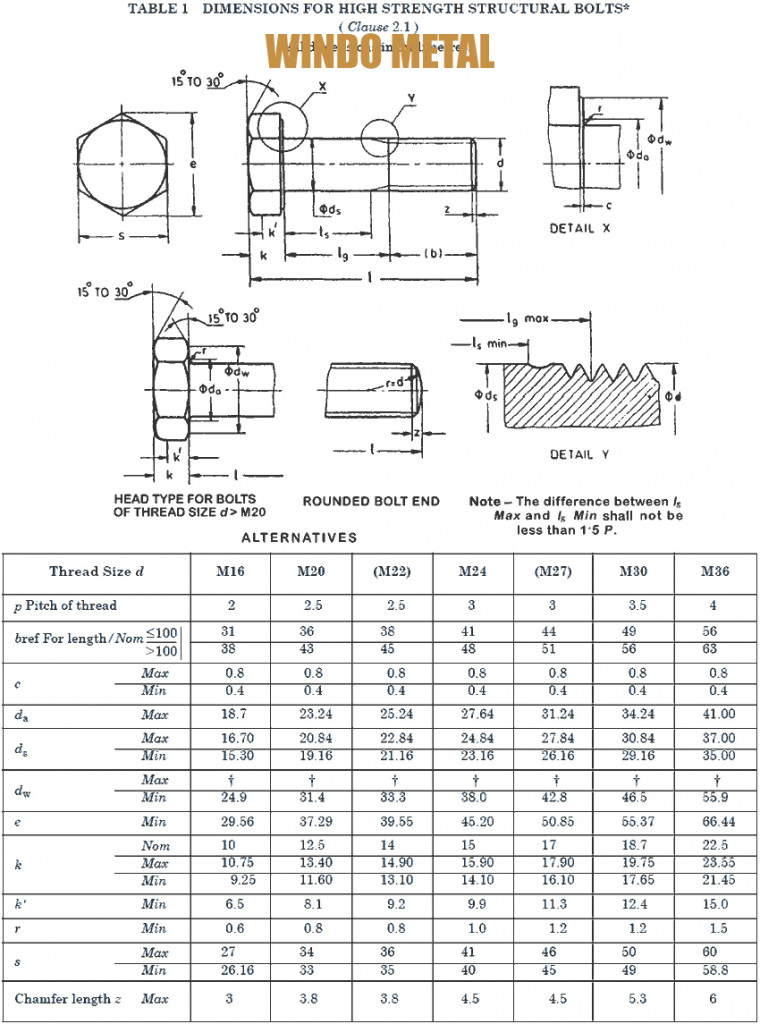
高强度10.9螺栓尺寸表-高强度螺栓尺寸
高强度结构螺栓尺寸
高强度10.9紧固件化学成分
| 类 | 材料和处理 | C | C | P | 年代 | B | 回火温度[C]。 |
| 最小值 | 马克斯 | 马克斯 | 马克斯 | 马克斯 | |||
| 10.9 | 用添加剂(如b, mn或cr)淬火和回火的碳钢 | 0.15 (D) | 0.35 | 0.025 | 0.025 | 0.003 | 340 |
| 调质碳钢 | 0.25 | 0.55 | 0.025 | 0.025 | 0.003 | 425 | |
| 用添加剂(如b, mn或cr)淬火和回火的碳钢 | 0.20 (D) | 0.55 | 0.025 | 0.025 | |||
| 淬火和回火合金钢(g) | 0.2 | 0.55 | 0.025 | 0.025 |
高强度等级10.9螺栓机械性能
| 成绩 | 尺寸范围 | 压力[MPa] | YS(最小)[MPa] | TS(分钟)(MPa) | 硬度(洛氏) |
| 10.9类 | 5–100 | 830 | 940 | 1040 | C33-39 |
我们的产品系列高强度钢10.9级螺栓发现应用于各种领域,如:民用工业、船舶工业、近海和岸上石油塔、阀门、泵、化肥厂、民用建筑工业、石油化工、铁路、船舶、石油扩建工程、钢铁厂、发电机组(核、水、热)、重型工程工业、家用配件等。
镀锌重型六角螺栓A325M
镀锌重型六角螺栓A325M详细信息:材料:不锈钢:SS201、SS303、SS304、SS316、SS410、SS420碳钢:4.8、6.8、8.8、10.9、12.9钛:GR1-GR5、铝、黄铜等。尺寸:M1.6-M39长度:最大300mm头类型:平头、JIS盘、椭圆形、圆形、包边、I.HD、钎焊、PF。HD、按钮、凹槽、Ansi、Pan、Pan垫圈、缩进六角等。标准:ISO、GB、DIN、[…]

